|
::: ÇÏÀºÀüÀÚ Ä¿³ØÅÍ Àü¹®À¯Åë¾÷ü :::
|
++++ ½Å¼±ÇÑ È¯°æÀ» ¿©´Â±â¾÷ »ïÁø»ó»ç ++++++++
|
 Home > Á¦Ç°Á¤º¸ > ¿øÇüÄ¿³ØÅÍ |
|
Untitled Document
 |
|


|
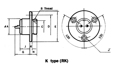
Sh
ell
size |
¾A |
A
thread |
B
thread |
C
(¾) |
D
(¾) |
E
(¾) |
F
(¾) |
G |
J |
K |
L |
N |
Q
(¾) |
A'
(¾) |
B'
(¾) |
C'
(¾) |
D'
(¾) |
E' |
F'
thread |
J' |
| 12 |
12.0 |
M12X0.75 |
M13X0.75 |
9.6 |
17.0 |
22.0 |
15.0 |
12.3 |
8.3 |
1.5 |
2.2 |
5.0 |
2.2 |
14.0 |
9.4 |
5.0 |
12.0 |
5.0 |
M13X0.75 |
3 - 2.2¥Õ |
| 16 |
16.0 |
M16X0.75 |
M16X1.0 |
13.0 |
24.0 |
30.7 |
19.0 |
14.0 |
7.0 |
2.0 |
3.2 |
7.0 |
3.2 |
18.0 |
12.7 |
6.4 |
13.5 |
9.0 |
M16X1.0 |
3 - 3.2¥Õ |
| 20 |
19.0 |
M19X0.75 |
M19X1.0 |
16.0 |
25.5 |
32.0 |
23.0 |
14.0 |
9.5 |
2.0 |
3.2 |
8.0 |
3.2 |
21.0 |
15.5 |
8.2 |
17.0 |
12.0 |
M19X1.0 |
3 - 3.2¥Õ |
| 25 |
25.0 |
|
M25X1.25 |
22.0 |
34.0 |
41.8 |
|
19.0 |
13.0 |
2.5 |
3.2 |
8.5 |
3.2 |
28.0 |
21.5 |
11.0 |
22.5 |
13.0 |
M25X1.25 |
3 - 3.2¥Õ |
| 30 |
29.0 |
|
M29X1.0 |
25.7 |
37.0 |
45.5 |
|
19.0 |
13.0 |
2.0 |
3.2 |
8.0 |
3.2 |
33.0 |
25.0 |
13.0 |
25.8 |
13.0 |
M29X1.0 |
3 - 3.2¥Õ |
| 32 |
32.0 |
|
M34X1.0 |
29.0 |
42.0 |
51.0 |
|
25.0 |
14.0 |
2.0 |
3.2 |
8.0 |
3.2 |
38.0 |
28.3 |
15.0 |
30.0 |
13.5 |
M34X1.0 |
3 - 3.2¥Õ |
| 40 |
40.0 |
|
M41.5X1.5 |
35.5 |
50.0 |
58.0 |
|
29.5 |
18.5 |
2.0 |
3.2 |
9.0 |
3.2 |
45.5 |
34.8 |
18.0 |
38.0 |
13.7 |
M41.5X1.5 |
3 - 3.2¥Õ |
* 41.5 * 1.5 P thread is abnormal thread. |
|